عشرة طرق لـتـدمـيـر الاردوينو

الموضوع في 'برمجة الاشياء arduino' بواسطة ابوفارس, بتاريخ ‏27 ديسمبر 2019.

  1. ابوفارس

    ابوفارس ادارة المنتدى إداري

    إنضم إلينا في:
    ‏12 يوليو 2014
    المشاركات:
    692
    الإعجابات المتلقاة:
    197
    نقاط الجائزة:
    43
    الجنس:
    ذكر
    بــــسم الله الرحمن الرحيـــــم
    [​IMG]
    يمكنك استخدام المطرقة , او اطلاق الرصاص عليها , او رميها في بركة ماء , لكن بالتأكيد هذا ليس ما نتحدث عنه :) , سنوضح في هذا المقال الطرق الكهربائية لتدمير الاردوينو لتتجنبها اثناء العمل على مشاريعك الالكترونية .
    • الطريقة الأولـى : تأريض مخارج الاردوينو (I/O pin).
    - كيف ؟
    انت تُعرف احد الاقطاب على انه مخرج (output) , و جعل قيمته (HIGH), ثم توصيله بالقطب الارضي (GND) !
    - لماذا ؟
    من خلال النشرة الفنية للمتحكم , نجد ان اكبر تيار يمكن ان تتحمله الاقطاب هو 40mA ! مع المقاومة الداخلية التي تساوي 25 ohms فقط !
    و تسمح طريقة التوصيل الخاطئ بتمرير تيار مقداره 400mA , و هو كافي لتدمير قطب المتحكم !

    [​IMG]
    • الطريقة الثانية : توصيل مخارج الاردوينو معاً .
    - كيف ؟
    ان تعرف قطبين للآردوينو على انهم مخارج (output) و تجعل قيمة الاول (HIGH) و الثاني (LOW) و تصلهم معاً .

    - لماذا ؟
    نفس سبب الطريقة السابقة , باستثناء ان تيار التأريض يمر عبر المتحكم ايضاً !
    [​IMG]

    • الطريقة الثالثة : تطبيق جهد زائد على اقطاب (I/O Pins) .
    - كيف؟
    قم بتطبيق جهد اكبر من 5.5V على احد الاقطاب , و سيتلف مباشرة !
    - لماذا ؟
    هذه الطريقة ستجعل دايود الحماية ESD الموجود في المتحكم في حالة انحياز امامي ,
    هذا رسم توضيحي لأقطاب المتحكم ATmega328P .
    [​IMG]
    في حالة تطبيق جهد اعلى من 5V بمقدار 0.5V سيبدأ الدايود الموجود في الاعلى بتمرير التيار ( حالة الانحياز الامامي ) , و هو امر مقبول في حالة كانت المدة بسيطة , لكن في حال استمر مرور التيار مده اطول , يتلف الدايود و تتوقف حماية القطب ز.

    و عندما تتوقف حماية القطب سيتف بسبب الجد المرتفع , و الأسوأ من ذلك انه عند توقف حماية الدايود سيتم تطبيق الجهد الزائد على مصدر جهد (5V+) الرئيس في الاردوينو و بالتالي قد يصل الجهد الزائد لمكونات اخرى في المتحكم , مثل USB interface chip و تدميــرهــا !!
    [​IMG]

    • الطريقة الرابعة : توصيل جهد خارجي معكوس على (Vin).
    - كيف ؟
    قم بتوصيل مصدر جهد خارجي للاردوينو عبر المدخل Vin لكن بعكس القطبية بين Vin و الـ GND !! و هذا كافي لتدمير العديد من المكونات في الاردوينو !!
    - لماذا ؟
    لا توجد دارة حماية للقطبية المعكوسة في الاردوينو عبر Vin , لذلك التيار سيمر من قطب GND الى قطب +5V عبر منظم الجهد , و هذا سيدمر المتحكم و منظم الجهد ايضاً !
    [​IMG]

    • الطريقة الخامسة : تطبيق جهد اكبر من 5V على قطب +5V !
    - كيف ؟
    قم بتطبيق جهد 6V او اكبر على مخرج الـ 5V+ في الاردوينو , و هذا سيدمر العديد من المكونات, و قد يظهر على منفذ الـUSB في الحاسوب , و قد يتلفه !
    - لماذا ؟
    لا توجد دارة حماية على قطب الـ5V+ , هذه الفولتية موصولة مباشرة مع المتحكم و شريحة USB و منظم الجهد ! و جميعهم سيتفلوا في حال تطبيق جهد اكبر من 6V+
    [​IMG]
    من الافكار الخاطئة ان تعتقد ان منظم الجهد سيضمن ان يبقى الجهد ثابتاً (5V) مهما حدث !! لكن ما يفعله منظم الجهد هو اتنظيم الجهد القادم من الـUSB او قابس الجهد , اما في حال اتى تيار من مصدر جهد خارجي عبر قطب الـ5V+ فلن يفعل شيئا حيال ذلك. !!

    نتيجة اخرى من تطبيق جهد اعلى من 5V هو الضرر الذي قد يحدث على منفذ الحاسوب وذلك في حال كنت تستخدم الحاسوب كمصدر طاقة للآردوينو .
    ذلك سوف يسبب سريان التيار بشكل عكسي عبر ترانزيستور مبدل الجهد MOSFET T1 , و اتلاف منفذ الـUSB !!
    [​IMG]

    • الطريقة السادسة : تطبيق جهد اكبر من 3.3V على قطب +3.3V !

    - كيف ؟
    طبق جهد اكبر من 3.3V على قطب الـ+3.3V , و ستقوم باتلافـه ! و اذا طبقت جهد اعلى من 9V قد يتلف منظم الجهد 3.3 ايضاً !
    - لماذا ؟
    نفس الاسباب السابقة ( عدم وجود دارة حماية ) , و في حال تطبيق جهد اكبر من 9V سيتلف منظم الـ3.3 و قد يصل التيار لمخرج الـ5V+ و يصل ايضاً لمنفذ الـUSB و يتلفه , و يتلف المتحكم ايضاً .
    [​IMG]


    • الطريقة السابعـة : توصيل Vin مع الـ GND .
    - كيف ؟
    بعد توصيل الطاقة للآردوينو عبر مقبس الطاقة الخارجي( DC power jack ) , قم بتوصيل المدخل Vin مع الارضي GND ! سيتلف دايود المنع ! و قد تذوب خطود الدارة المطبوعة , و بالتالي تلف المتحكم كاملاً !
    - لماذا ؟
    لا توجد دارة حماية لتحديد قيمة التيار المار في Vin , و بالتالي عند توصيله مع الارضي تقوم بتأريض مصدر الطاقة الخارجي مباشرة عبر دارات المتحكم ! وهذا يسبب مرور تيار عالي في المتحكم !

    مقدار التيار تحدده فقط مقاومة مسارات الدارة المطبوعة الواصلة بين مكونات الاردوينو , و مقدار التيار الذي يمكن ان يوفره المصدر ! في حال كان التيار كبيراً قد تبدأ هذه المسارات بالذوبان !

    [​IMG]


    • الطريقة الثامنة : تطبيق 5V على قطب الـ5V+ وتأريض Vin .
    - كيف ؟
    اذا طبقت جهد 5V على قطب الـ5V+ في الاردوينو , و كن هناك دارة موصولة مع Vin ( او وصلته مباشرة مع الارضي ) , سوف يسير التيار بشكل عكسي عبر منظم الجهد و يتلفه .

    - لماذا ؟
    لا توجد دارة حماية من انعكاس الفولتية على منظم الجهد 5V , فقد يسير التيار من قطب الـ5V و يمر بشكل عكسي عبر منظم الجهد و يتلفه !

    [​IMG]



    • الطريقة التاسعة : تطبيق جهد اكبر من 13V على (Reset Pin).
    - كيف ؟
    طبق جهد اكبر من 13V وعلى قطب الـReset في الاردوينو و سيتلف المتحكم !

    - لماذا ؟
    قطب الـReset في الاردوينو موصول مباشرة مع قطب Reset في متحكم ATmega328P , و هذا القطب يتحمل لحد 13V , و اذا زادت الفولتية عن هذا الحد سيتلف المتحكم !
    [​IMG]



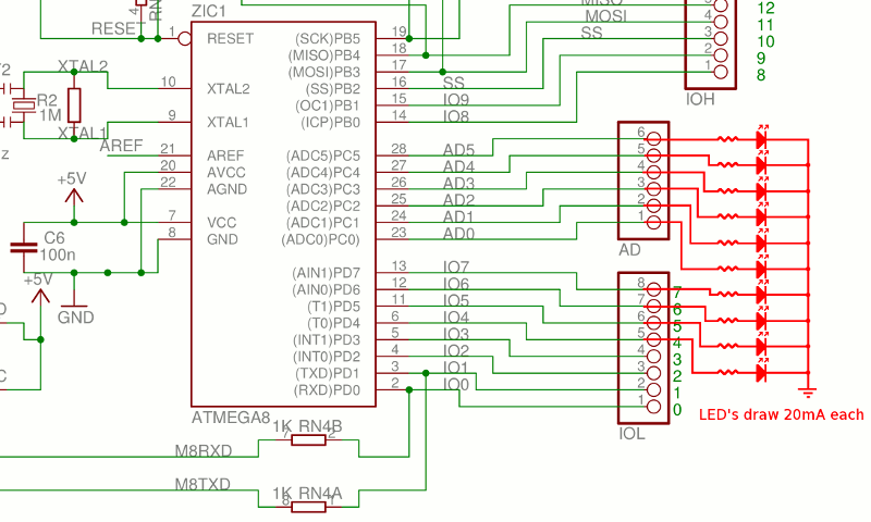
    • الطريقة العاشرة : تجاوز حد التيار الاعلى في المتحكم .
    - كيف ؟
    ان تستخدم 10 مخارج و تسحب 20mA من كل واحد منها ( لإضـاءة LED مثلاً ) و بالتالي تكون قد تجاوزت الحد الاعلى للتيار الذي يمكن اخذه من المتحكم , و هو ما سيؤدي لتلف المتحكم !

    - لماذا ؟
    لا يكفي تحديد التيار عبر كل مخرج , لكن يجب ان لا يتجاوز التيار الكلي المسحوب من المتحكم اكثر من 200mA حسب النشرة الفنية لمتحكم ATmega328P !



    [​IMG]


    بعد ان تعرفنا على الطرق التي قد تدمر متحكم الاردوينو , يجب الانتباه عند تنفيذ مشاريعك الالكترونية لتجنب الوقوع في احد هذه الاخطاء !

    و هناك حل آخر بالحصول على اردوينو مضاف لها دوائر حماية اضافية تقوم بحماية المتحكم في حال حدوث احد تلك الاخطاء !
    هذه الدارة تسمـى The Ruggeduino ..

    [​IMG]
     

مشاركة هذه الصفحة